KL-varaosat  MS-Tuonti

Volvo 850 Flekti ei pyöri

  • 11 Vastauksia
  • 6764 Lukukerrat

0 jäsentä ja 1 Vieras katselee tätä aihetta.

Poissa SakkeX

  • De Luxe
  • *
  • Viestejä: 25
  • www.vrcf.fi
Volvo 850 Flekti ei pyöri
« : 27.07.2016, 22:16:53 »
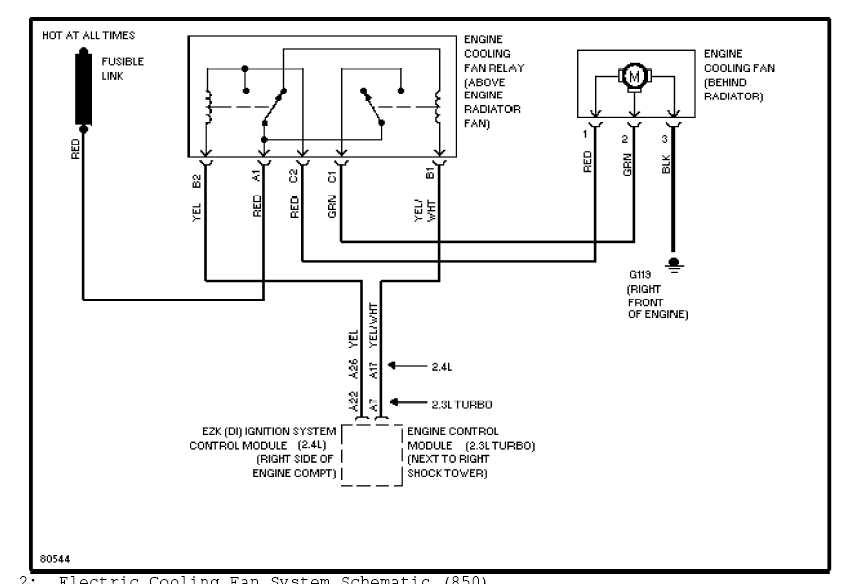
Moro. Volvo ollut muutaman vuoden telakalla ja nyt vihdosta viimein sain koneen keulille ja käy nätisti ja liikkuu mutta herjaa koodia flektin 1 vaihe ei toimi. Flekti vaihdettu ja suoralla virralla pelaa molemmat nopeudet samoin kun releitten maadotusta lykkää maihin pyörii molemmilla nopeuksilla mutta vain toiseen johtoon tulee maadoitus jotka tulevat jostain johtosarjasta siihen releitten väliin se 2paikkanen ohkanen liitin. Onko kellään ideaa miten tämmöstä mysteeriä lähtis metsästään rupee motivaatio oleen aika lujaa alamäesä. Kiitos T. Sakari

Poissa Rusakko

  • Turbo
  • ******
  • Viestejä: 2996
  • Nautin autoni kulmikkaina ja naiseni kurvikkaana
    • Vesan Volvo-sivut
Vs: Volvo 850 Flekti ei pyöri
« Vastaus #1 : 27.07.2016, 22:18:39 »
menee se flektin maadotus sinne johki imusarjan alle kiinni en muista mihin (joko itte imusarjaan tai lohkoon jonku pultin väliin). Katoppa ettei roiku irtonaisena
V70R FWD Manual -98,     V70R AWD Automatic -00,  740 B6304 Manual -87,      240 16v turbo Manual -88

Poissa SakkeX

  • De Luxe
  • *
  • Viestejä: 25
  • www.vrcf.fi
Vs: Volvo 850 Flekti ei pyöri
« Vastaus #2 : 27.07.2016, 22:22:46 »
Siihen flektin omaan mustaan johtoon tulee kyllä maa mikä on siinä klipsussa juur suojan päällä. Vai onko siellä lisääkin  :D :D

Poissa Rusakko

  • Turbo
  • ******
  • Viestejä: 2996
  • Nautin autoni kulmikkaina ja naiseni kurvikkaana
    • Vesan Volvo-sivut
Vs: Volvo 850 Flekti ei pyöri
« Vastaus #3 : 27.07.2016, 22:26:29 »
Siihen flektin omaan mustaan johtoon tulee kyllä maa mikä on siinä klipsussa juur suojan päällä. Vai onko siellä lisääkin  :D :D
ainaki yks menee suoraan maihin. En muista kirkkaasti miten liittimet meni :D
https://d3nevzfk7ii3be.cloudfront.net/igi/yRNJqWZVsPN5rMdI
V70R FWD Manual -98,     V70R AWD Automatic -00,  740 B6304 Manual -87,      240 16v turbo Manual -88

Poissa SakkeX

  • De Luxe
  • *
  • Viestejä: 25
  • www.vrcf.fi
Vs: Volvo 850 Flekti ei pyöri
« Vastaus #4 : 27.07.2016, 22:30:00 »
Eiköös tuolla huomisen pärjää  ;D Tullaan tänne lisää kiroomaan jos ei nappaa  :D  Kiitokset!

Poissa Rusakko

  • Turbo
  • ******
  • Viestejä: 2996
  • Nautin autoni kulmikkaina ja naiseni kurvikkaana
    • Vesan Volvo-sivut
Vs: Volvo 850 Flekti ei pyöri
« Vastaus #5 : 27.07.2016, 22:32:27 »
Tai sit relettä vaan vaihtoon. Tai lämpötila-anturi häikkää
V70R FWD Manual -98,     V70R AWD Automatic -00,  740 B6304 Manual -87,      240 16v turbo Manual -88

Poissa SakkeX

  • De Luxe
  • *
  • Viestejä: 25
  • www.vrcf.fi
Vs: Volvo 850 Flekti ei pyöri
« Vastaus #6 : 27.07.2016, 22:35:28 »
Lämpötila-anturi tilattu uusi ja huomena matkaan relekaupoille ja varaosa kopasta tutkimaan mihin menee mitkäki johdot.

Poissa SakkeX

  • De Luxe
  • *
  • Viestejä: 25
  • www.vrcf.fi
Vs: Volvo 850 Flekti ei pyöri
« Vastaus #7 : 28.07.2016, 21:32:23 »
Nonii muutama anturi vaihdettu ja enkä saanu edes moottoria lämpöseks ku huomasin että eihän se vekotin lataa ja mittaristosa palaa muutamia valoja himmeesti. Laturin vaihto siis vai voiko olla maavika? anteeksi offtopikki

Poissa SakkeX

  • De Luxe
  • *
  • Viestejä: 25
  • www.vrcf.fi
Vs: Volvo 850 Flekti ei pyöri
« Vastaus #8 : 30.07.2016, 15:28:59 »
Noniin. Lämpötila-anturi vaihdettu ja releet ym. kaikki mahdollinen eikä vaan pelaa flekti vieläkään. Missä asteessa flektin pitäis lähtee hyrräämään?

Poissa Juzi

  • Grand Touring
  • ****
  • Viestejä: 1822
  • Vᵒˡᵛᵒ
Vs: Volvo 850 Flekti ei pyöri
« Vastaus #9 : 30.07.2016, 16:50:20 »
Niin kai sulla tulee 12 volttia kokoajan releelle?

Poissa SakkeX

  • De Luxe
  • *
  • Viestejä: 25
  • www.vrcf.fi
Vs: Volvo 850 Flekti ei pyöri
« Vastaus #10 : 01.08.2016, 16:24:07 »
Tulee kyllä. Huomena vien auton pajalle loppu mielenkiinto ettiä näinkin pientä vikaa  ;D ;D

Poissa vippe

  • Grand Luxe
  • **
  • Viestejä: 554
Vs: Volvo 850 Flekti ei pyöri
« Vastaus #11 : 14.05.2018, 16:33:46 »
Nojoo jatketaan tähän oireet samat mutta vika eri.

Eli 850 t5 -95, vikana ettei yli puolen tunnin tyhjäkäytön aikana lähtenyt flekti käyntiin ja sammuttaessa jäähdyttimessä roplotti komeasti, toki myös turbon jäähdytysletkujen liitoksista tirrasi vettä mukavasti.

Eli ensiavuksi testasin releen toiminnan maadottamalla ohjausnastoja hyppylangalla, flektin molemmat nopeudet toimi hienosti. sitten vaihdoin toisen termostaatin, testasin toimivuuden kattilassa. lisäksi vielä vaihdoin vedenlämpöanturin varaosakoneesta.

Uutta testiä, noh mikään ei muuttunut, mittarin mukaan lämmöt nousee kylmästä puoleenväliin kuten aiemminkin ja jää siihen. auton käydessä tyhjäkäyntiä tuli velipoikakin kaveriksi kummastelemaan ja sinä aikana kun autot kävi tyhjää, niin velipojan S70R huudatteli flektiä 2-3 kertaa kun 850 ei inahtanutkaan. lopetettiin testi siihen kun alkoi lattialla olemaan säiliöllinen vettä. ja roplotus kävi jäähyttimessä taas.

ilmataskuakaan ei pitäisi olla, täytelty nesteet ylävesiletkusta niin paljon kuin meni ja loput paisuntasäiliöllä. kabiinikin lämpenee kyllä mukavasti ja ylävesiletku oli polttavan kuuma.

itse autossa on ECUssa joku stage 4 lastu, satiaisen selässä teippi, jossa käsin kirjoitettu teksti:   
Hi:  stage 4
Lo:   -"-


Tosin, ostin auton reilun vuosi sitten 4.mäntä sulatettuna, eli voisiko lastussa olla jotain fuulaa eikä pyöritä flektiä? toinen vaihtoehto on että MV6 omegan IMM kotelon myötä on mäntä sulanut...
mainitaan nyt vielä mitä muuta viritystä on autossa lastun lisäksi, eli ahtoja nostettu 1bar asti, 3" putkisto ja vihreät S60R suuttimet, GLT-nokat.
vähemmän sulatetun alakerran vaihdossa lisäsin listaan h-profiilikanget, vaparin kaasuläpän ja S60R pakosarjan ja putsariksi+IMM vaihdoin vakioksi takaisin.

kokeilen tässä viikon aikana toisella eculla kunhan saan vaihdettua vähemmän turvonneet turbon vesiletkut paikalleen. Epäilen, että ecussa tai lastussa vikaa eikä ymmärrä ohjata flektiä päälle.

EDIT. Testattu toisella eculla ja tuolla stage 4 boksilla. flekti pyörii vasta kun kävin riipasemassa pari täyskaasuvetoa, täytyi vissiin vaan saada turbon vesiletkut pitämään, niin sai vähän painetta kiertoon ja pysyyn nesteet oikeassa paikassa.
« Viimeksi muokattu: 24.05.2018, 14:51:12 kirjoittanut vippe »
145 -70, 940 Turbo USA -91,960 -92, 760 GLE USA -88, -95, 850 T5 svedu -96
entisiä: 944 SE -92, V70 -97, 855 GLT -96, 854 ja 855 italo -95, S80 T6 -99, 855 GLT "arabi" -95

 

Puotilan autokorjaamo  RallyBaron